
Visokofrekventni senzor od 5,8 GHz ± 75 MHz za stropnu rasvjetu s napajanjem od 220-240 VAC
Robna marka:
HAISENBroj artikla:
HD01VNarudžba (MOQ):
100pcsPlaćanje:
L/C, T/T, Western UnionPodrijetlo proizvoda:
Chinacertifikat:
CE,ROHS,TUV,REDVisokofrekventni senzor od 5,8 GHz ± 75 MHz za stropnu rasvjetu s napajanjem od 220-240 VAC
Značajka:
Specifikacija
Ulazni | Raspon napona | 220~240 V AC 50/60 Hz |
Parametri senzora | Vrijeme držanja | 5 s/30 s/1 min/5 min/10 min/20 min/30 min |
Područje detekcije | 10%/50%/75%/100% | |
Senzor dnevnog svjetla | 2Lux/10Lux/50Lux/Onemogući | |
Visina montaže | Maks. 6 m (montaža na strop) Maks. 3 m (montaža na zid) | |
Raspon detekcije | Maks. ø14 m (montaža na strop) Maks. 10 m (montaža na zid) | |
Bežični parametri | Radna frekvencija | 5,8 GHz ±75 MHz |
Funkcija | 0N/0FF+funkcija zatamnjenja | |
Radno okruženje | Radna temperatura | -20°C do +55°C |
Sigurnost i elektromagnetska kompatibilnost | Zahtjev za certifikat | CE, ROHS, TUV, CRVENA |
Drugi | Jamstvo | 5 godina |
Montaža | Instalirano unutar svjetiljki | |
IP ocjena | IP20 | |
Zahtjev za pakiranje | Mjehurićasto pakiranje, ravni papir, vanjska kutija. | |
Život | 50000 sati |
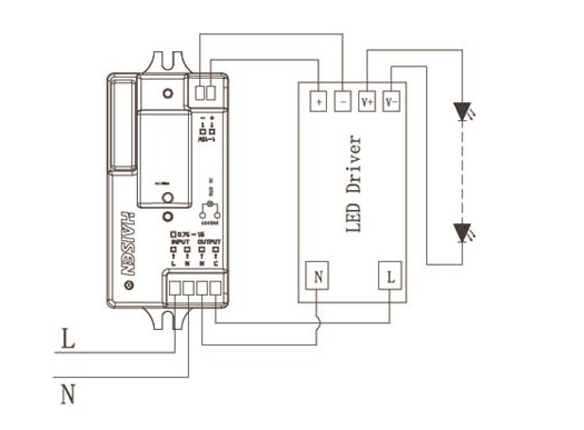
Dijagram ožičenja
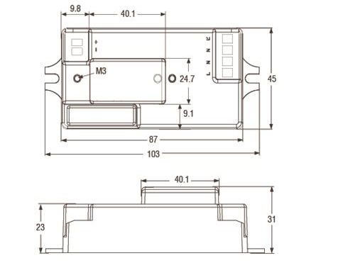
Veličina
Pokrivenost detekcije
Postavka DIP sklopke
Demo
Prethodno:
Senzor pokreta s dnevnim svjetlom i mikrovalnom pećnicom, 120-277 VAC, s mogućnošću prigušivanjaSljedeći:
Ultra tanki dizajn senzora pokreta za mikrovalnu pećnicu 220-240VAC za Triproof svjetloAko imate pitanja ili prijedloga, ostavite nam poruku, odgovorit ćemo vam u najkraćem mogućem roku!
Kategorije
Novi proizvodi
12V DC IP65 PIR senzor s funkcijom prioriteta dnevnog svjetla Čitaj više
MW/PIR izmjenjivi senzor za visoke i niske prostore Čitaj više
Izmjenjivi PIR/MW senzor za visoke i niske prostore Čitaj više
Mikrovalni senzor pokreta s šipkastom antenom s DIP prekidačem i funkcijom UKLJUČENO-ISKLJUČENO, kompaktna veličina Čitaj više
© Autorska prava: 2025 Microtionlight Sva prava pridržana.
Podržana IPv6 mreža